มีอะไรใหม่

Welcome!

By registering with us, you'll be able to discuss, share and private message with other members of our community.

SignUp Now!
  • สวัสดีครับชาวโลมาสีฟ้า cefiro-thailand.com

    เว็บไซต์แห่งนี้เราเปิดให้ใช้งานกับฟรีๆ สามารถโพสต์อัพเดทสถานการณ์ต่างๆข่าวสารบ้านเมืองและข่าวสารของกลุ่ม cefiro-thailand.com ได้เต็มที่เลยนะครับขอแค่ไม่เป็นการปั่นกระทู้หรือโฆษณาอะไรที่มันล่อแหลมจนเกินไป
    เว็บไซต์ไม่ต้องเสียค่าสมัครใดใดทั้งสิ้นมีข้อเสนอแนะอะไรสามารถแนะนำเข้ามาได้ครับยินดีปรับแต่งและแก้ไขถ้าสามารถทำได้

    กฎระเบียบของเราก็ไม่มีอะไรมากท่านสามารถใช้งานได้เต็มที่

D.i.y. มาดัดแปลงใส่รีเลย์ให้สวิตช์สปอร์ทไลท์+ใส่หลอดไฟหรี ่ Led

  • ผู้เริ่มหัวข้อ ผู้เริ่มหัวข้อ A31323
  • วันที่เริ่มต้น วันที่เริ่มต้น

กรุณาปิด โปรแกรมบล๊อกโฆษณา เพราะเราอยู่ได้ด้วยโฆษณาที่ท่านเห็น
Please close the adblock program. Because we can live with the ads you see

A31323

LeKkY
สมาชิกทีมงาน
Cefiro-Thailand Staff
เข้าร่วม
8 ก.ค. 2007
ข้อความ
2,613
D.I.Y. มาดัดแปลงใส่รีเลย์ให้สวิตช์สปอร์ทไลท์+ใส่หลอดไฟหรี่ LED กันดีกว่าครับ

สาเหตุเนื่องมาจากไอ้เจ้าสวิตช์ตัวนี้ชอบใจเสาะ ลาโลกก่อนเวลาอันควร จะด้วยสาเหตุอันใดก็ตาม แต่จากที่แกะออกมาดูหลายๆตัว อาการเสียคือ มีรอยอาร์คหรือไหม้ที่หน้าคอนแทค อาจเกิดจากสปริงที่ใช้มานานมันคงล้า ทำให้กดหน้าทองขาวได้ไม่แรงพอ ทำให้เกิดความร้อนและไหม้ในที่สุด ที่นี้ถ้าแกะมันออกมาขัดมันก้อใช้ได้พักเดียว เดี่ยวก้อต้องถอดมาขัดอีก ผมเลยแก้โดยการต่อรีเลย์มันซะเลย ซึ่งรีเลย์กดหน้าสัมผัสด้วยแรงจากแม่เหล็กไฟฟ้า ไม่ล้าเหมือนสปริงแน่นอน ข้อดีอีกอย่างคือ ถ้าคราวนี้มันเสียอีกก้อจะเสียที่รีเลย์แทน(มีโอกาสเ สียน้อยมาก) ซึ่งรีเลย์ตัวละไม่กี่สิบบาท ถูกกว่าสวิตช์เยอะ

อุปกรณ์ที่ต้องใช้มีดังนี้
1.ปลั๊กตัวผู้ที่ตัดสายไฟติดมากับสวิตช์สปอร์ตไลท์เก่า ยุ่น 1 อัน
2. รีเลย์ NISSAN ตัวสีเขียว** หรือสีฟ้า แบบที่อยู่ในกล่องฟิวส์ในห้องเครื่องก้อได้ พร้อมปลั๊กตัวผู้ตัดสายไฟมาเช่นกัน 1 ตัว หรือจะใช้รีเลย์อะไรก้อได้ แต่ขอให้เป็น POWER RELAY และทนกระแส 30A จะได้ทนๆครับ
3.หางปลาตัวผู้แบบในรูป 6 ตัว หาซื้อได้ตามร้านไฟฟ้าทั่วไป
4.เทปพันสายไฟรถยนต์ 1 ม้วน
5.คีมย้ำสายไฟ
6.คีมตัดสายไฟ
7.คัทเตอร์
8.เกือบลืม ตัวย้ำต่อสายไฟ ผมใช้แบบที่เป็นหมวก มาตัดหมวกออก ซื้อได้ตามร้านไฟฟ้าเช่นกัน
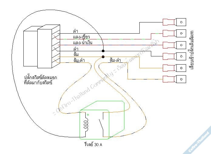
เอาวงจรไปดูกันครับ


ปล.อาจจสงสัยว่าทำไมไม่ไปต่อรีเลย์ที่โคมไฟหน้ารถเลยล่ะ คือวัตถุประสงค์ของผมคือต้องการให้สวิตช์ใช้ทนทาน และไม่ต้องการตัด-ต่อสายไฟในรถครับ ไม่ได้ต้องการให้มันสว่างขึ้นน่ะครับ

**ขอขอบคุณพี่จิม ช่างวายสายไฟอู่น้าจอห์น ที่ให้ความรู้เรื่องรีเลย์ NISSAN
 

ไฟล์แนบ

  • sport2.JPG
    sport2.JPG
    37.2 กิโลไบต์ · จำนวนการดู: 1,771


ต่อตามวงจรครับ
 

ไฟล์แนบ

  • 1.jpg
    1.jpg
    37.7 กิโลไบต์ · จำนวนการดู: 1,284
จากนั้นแกะฝาครอบสวิตช์ออกมา

ดึงปลั๊กตัวออกจากสวิตช์สปอร์ทไลท์
 

ไฟล์แนบ

  • 2.jpg
    2.jpg
    48.7 กิโลไบต์ · จำนวนการดู: 1,089
ไล่เสียบหางปลาเข้าไปที่ปลั๊กของเดิมในรถที่ละเส้นครับ

คำเตือน :

1. เสียบให้ถูกสีนะครับไม่งั้น จะเกิดไรขึ้นคิดเอาเองครับ

2. ถ้าไม่มั่นใจ ให้ถอดขั้วแบตก่อนครับ เพราะสายสีส้มมีไฟ 12 V แช่อยู่ตลอดเวลา แม้จะปิดสวิตช์กุญแจก้อตาม
 

ไฟล์แนบ

  • 3.jpg
    3.jpg
    49.3 กิโลไบต์ · จำนวนการดู: 1,146
พันด้วยเทปพันสายไฟให้เรียบร้อย

ตามรูป ผมจะพันเทปรั้งกับปลั๊กเดิมในรถด้วย กันความผิดพลาดที่อาจจะเกิดขึ้นได้ (เผื่อมันหลุดครับเวลาที่ดึงฝาครอบออกมา)

จากนั้นก้อยัดเจ้ารีเลย์เข้าไป แต่ผมไม่ได้ยึดตัวรีเลย์เข้ากับช่องข้างในคอนโชล เพราะหาจุดยึดเหมาะๆ เพื่อยึดเจ้ารีเลย์ไม่ได้ เนื่องสายไฟที่ติดมายาวไม่พอ ถ้าใครสายไปยาวพอที่จะหาที่ยึดตามสะดวกก้อดีครับ จากนั้น ปิดฝาครอบเข้าไปตามเดิม

ที่นี้ก้อถึงขั้นตอนสำคัญ ลองเปิดสวิตช์ดูครับ
 

ไฟล์แนบ

  • 4.jpg
    4.jpg
    49.5 กิโลไบต์ · จำนวนการดู: 969
ต่อไปเป็นขั้นตอนเปลี่ยนหลอดไฟหรี่ในสวิตช์สปอร์ทไลท์ ให้เป็นสีน้ำเงิน(ตามรูป) โดยใช้หลอด Led ครับ
 

ไฟล์แนบ

  • 44.jpg
    44.jpg
    28.9 กิโลไบต์ · จำนวนการดู: 922
อุปกรณ์ที่ใช้ มีดังนี้
1 หลอด LED 3 ม.ม. สีน้ำเงิน หรือสีตามใจชอบ แต่ไม่รับประกันสีของแสงที่ออกมานะครับ เพราะด้านในสวิตช์จะมีสีเขียวเคลือบไว้เพื่อกรองให้แสงจากหลอดไส้ออกเป็นสีเขียว(แสงเดิมๆออกเป็นสีเขียว) แต่ก่อนทำผมได้ลองเอา แสงจากหลอด LED สีน้ำเงินมาส่องดูก่อนว่า แสงที่ออกมาเป็นสีอะไร ซึ่งก้อโอเค มันออกมาเป็นแบบในรูป
2.ตัวต้านทาน 1 KOhm 1/8W 1 ตัว
3.หัวแร้ง
4.ตะกั่วบัดกรี
5.คีมตัดสายไฟ
 

ไฟล์แนบ

  • 22.jpg
    22.jpg
    13 กิโลไบต์ · จำนวนการดู: 1,064
ชำแหละสวิตช์ออกมา

จากนั้นดึงหลอดเดิมออกทั้งชุด

ต่อไปก้อต้องใช้ฝีมือในการบัดกรีครับ ตามรูปเลย
1. เอาตัวต้านทานมาพันกับขา Anode(A)ของ LED 1 รอบแล้วบัดกรี จากนั้นตัดขาออกและดัดตัวต้านทานให้ได้แบบในรูป ระวังชอร์ตด้วย
2. ตัดขาที่เหลือของตัวต้านทานและ LED ให้ได้แบบในรูป แล้วบัดกรีเข้าไปกับขั้วเสียบหลอดที่สวิตช์

หมายเหตุ . วิธีดูขา LED สังเกตุขึ้นโลหะที่อยู่ข้างในหลอด ไอ้ขาที่ต่อกับโลหะขึ้นใหญ่ๆจะเป็น ขา K ส่วนอีกขาก้อเป็น A

ปล.ไม่สามารถซูมให้เห็น รอยบัดกรีเนื่องจากใช้มือถือถ่าย มันถ่ายแบบมาโคร ไม่ได้อะครับ
 

ไฟล์แนบ

  • 33.jpg
    33.jpg
    24.5 กิโลไบต์ · จำนวนการดู: 1,153
  • 11.jpg
    11.jpg
    23.1 กิโลไบต์ · จำนวนการดู: 1,074
กระทู้นี้ขอเว้นไว้ก่อน รอเอารูปมาลงเพิ่มครับ
 
สำหรับใครที่ไม่ซีเรียส ยอมตัดสายไฟในรถได้ มีวิธีการดัดแปลงใส่รีเลย์อีก 1 วิธีครับ ต่อตามวงจรในรูปครับ

ต้องตัดสายไฟในรถ 1 เส้น (สายสีส้ม-ดำ)

คำเตือน : ถ้าไม่มั่นใจ ให้ถอดขั้วแบตก่อนครับ เพราะสายสีส้มมีไฟ 12 V แช่อยู่ตลอดเวลา แม้จะปิดสวิตช์กุญแจก้อตาม
 

ไฟล์แนบ

  • sport1.JPG
    sport1.JPG
    32.5 กิโลไบต์ · จำนวนการดู: 982
ฝีมือครับ เยี่ยมมาก:redface:
 
สวยเลยครับบบบบบบบบบบ
 
เห็นแล้ว งงงวยทำไม่เปน
 
อ้าวมะวานเห็นมีกระทู้ของป๋าลอง กับน้าจอห์น หายไปไหนแล้วหว่า....พอดียุ่งๆอยู่เลยไม่ได้ตอบอะครับ

ตอบป๋าลองครับ ได้เลยครับ เดี๋ยวเข้าไปทำให้ แต่ป๋าหารีเลย์กับปลั๊กให้ผมหน่อยนะครับ

ตอบน้าจอห์น ทำให้ได้ครับ แต่ติดอยู่ 2 อย่างคือ
1. LED ผมมีตัวเดียว ต้องลองกลับไปดูที่บ้านว่ามีเหลืออีกไหม แต่คุ้นๆว่ามี
2. สวิตช์ไฟผ่าหมากกับไลฝ้า ไม่แน่ใจว่าทำได้หรือเปล่า ยังไม่มีเวลาลองแกะสวิตช์ออกมาดู
 
ฝีมือครับ เยี่ยมมาก:redface:

สวยเลยครับบบบบบบบบบบ
ขอบคุณครับ
เห็นแล้ว งงงวยทำไม่เปน

ผมรีบๆน่ะ เลยลงข้อความยังไม่ค่อยละเอียด จะทยอยแก้ไขข้อความให้อ่านเข้าใจง่ายขึ้นครับ
 
แก้ไขล่าสุด:
เยี่ยมมากเลยค๊าบบบบ

ตอนนี้ผมหมดไฟอยู่

(เพราะรถแบตเจ๊ง ฮือออออออออออออ)
 
วันอาทิตย์เจอกันครับ:byebye:
 
เยี่ยมมากเลยค๊าบบบบ

ตอนนี้ผมหมดไฟอยู่

(เพราะรถแบตเจ๊ง ฮือออออออออออออ)

ขอบคุณครับ ได้ข่าวว่าแบตจะปรับราคาลง แต่ไม่รู้ว่าลงเมื่อไหร่

วันอาทิตย์เจอกันครับ:byebye:
ตามนั้นครับ
 
อ้าวมะวานเห็นมีกระทู้ของป๋าลอง กับน้าจอห์น หายไปไหนแล้วหว่า....พอดียุ่งๆอยู่เลยไม่ได้ตอบอะครับ

ตอบป๋าลองครับ ได้เลยครับ เดี๋ยวเข้าไปทำให้ แต่ป๋าหารีเลย์กับปลั๊กให้ผมหน่อยนะครับ

ตอบน้าจอห์น ทำให้ได้ครับ แต่ติดอยู่ 2 อย่างคือ
1. LED ผมมีตัวเดียว ต้องลองกลับไปดูที่บ้านว่ามีเหลืออีกไหม แต่คุ้นๆว่ามี
2. สวิตช์ไฟผ่าหมากกับไลฝ้า ไม่แน่ใจว่าทำได้หรือเปล่า ยังไม่มีเวลาลองแกะสวิตช์ออกมาดู


ขอบคุณน้องมั้กมากครับ
เมื่อวานดันโพสต์ขัดจังหวะอ่ะเลยลบดีกว่าเพื่อความต่อเนื่องของกระทู้อ่ะครับ..
 
แหร่มจิงๆ..เห็นแร้วอยากกกกกกก......:dribble:
 

กระทู้ที่คล้ายกัน



กรุณาปิด โปรแกรมบล๊อกโฆษณา เพราะเราอยู่ได้ด้วยโฆษณาที่ท่านเห็น
Please close the adblock program. Because we can live with the ads you see
กลับ
ยอดนิยม